🧠 Combinational and Sequential Circuits: Building Complexity from Simple Gates
Logic gates by themselves are simple. But when we combine them in structured ways, we get powerful systems that can calculate, remember, and make decisions over time.
These systems fall into two big categories:
- Combinational Circuits → No memory
- Sequential Circuits → With memory
This distinction is one of the most important ideas in digital electronics.
🔷 Combinational Circuits
What Are Combinational Circuits?
A combinational circuit produces an output that depends only on the current inputs.
There is:
- ❌ No memory
- ❌ No storage
- ❌ No history
Mathematically:
If the inputs change, the output changes immediately (after a small propagation delay).
🧮 Examples of Combinational Circuits
1️⃣ Adders
- Half Adder
- Full Adder
- Binary adders inside CPUs
Example:

2️⃣ Multiplexers (MUX)
A multiplexer selects one input out of many based on select lines.
Remember:
Multiplexer is many to one Demultiplexer is one to many (vice versa of MUX)
Example:
- Choose one sensor from 8
- Select which data goes to the CPU
3️⃣ Decoders & Encoders
-
Decoder: Binary input → one active output

-
Encoder: One active input → binary output
Used in: -
Keyboards
-
Address decoding
-
Memory selection
4️⃣ Comparators

Compare two numbers:
- Greater than
- Less than
- Equal to
Used in:
- ALUs
- Control logic
- Decision circuits
🔑 Key Property of Combinational Circuits
Same input → same output
Always
No exceptions
Instant output
They cannot remember anything.
🔶 Sequential Circuits
What Are Sequential Circuits?
Example Register
Sequential circuits do have memory.
Their output depends on:
- Current inputs
- Previous state (history)
Mathematically:
This is what allows electronics to remember, count, and sequence actions.
🧠 Why Memory Is Needed
Without memory:
- You can add numbers
- But you can’t remember results
- You can’t count
- You can’t run programs
Memory turns logic into computation.
🔁 The Building Block of Memory: Flip-Flops
A flip-flop stores exactly one bit:
- 0 or 1
It remembers this value until told to change.
Common Flip-Flop Types
1️⃣ SR Flip-Flop
- Set / Reset
- Simple but has illegal states [[sr-latch-nand-circuit.svg]]
2️⃣ D Flip-Flop (MOST IMPORTANT)
- Stores the value of D on a clock edge
- Output stays constant until next clock
Rule:
This is the backbone of:
- Registers
- Memory
- CPUs
3️⃣ JK Flip-Flop
- Improved SR
- Can toggle

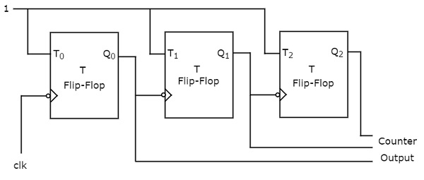
4️⃣ T Flip-Flop
- Toggles output on each clock
- Used in counters

⏱️ Clock: The Heartbeat of Sequential Logic
Sequential circuits need a clock signal.
- The clock is a square wave
- Flip-flops update only on clock edges
- This makes behavior predictable and synchronized
Example:
- Clock = 1 MHz → 1 million updates per second
Without a clock, complex systems become chaotic.
📦 Building Bigger Systems from Flip-Flops
Registers
- Group of flip-flops
- Store multi-bit values (8-bit, 16-bit, 32-bit)
Example:
- CPU registers
- Configuration registers
Counters
- Count up or down on each clock
- Built from T or JK flip-flops
Used in:
- Timers
- Clocks
- Event counting

Shift Registers
- Move data left or right
- Used for:
- Serial communication
- Data buffering
- LED animations

Finite State Machines (FSMs)
A state machine:
- Has defined states
- Moves between states based on inputs and clock
Used in:
- Traffic lights
- Communication protocols
- Motor controllers
- CPUs

🧩 Combinational + Sequential = Real Systems
Real digital systems combine both:
Inputs → Combinational Logic → Flip-Flops → Outputs
↑ |
└──── Feedback ─┘
- Combinational logic decides what should happen
- Flip-flops remember what has happened
🖥️ Example: Simple Counter
- Flip-flops store count
- Combinational logic computes next value
- Clock updates count
This simple idea scales up to:
- Microcontrollers
- Processors
- RAM
- GPUs

⚠️ Common Beginner Confusions
- Thinking logic gates alone can store data ❌
- Forgetting clock timing
- Mixing asynchronous and synchronous logic
- Ignoring propagation delays
- Forgetting reset logic
✅ Why This Topic Is CRITICAL
If you understand:
- Combinational circuits
- Sequential circuits
- Flip-flops
- Clocks
Then you understand:
- How CPUs work
- How memory works
- How programs execute
- How digital control systems operate
🏁 The Bottom Line
- Combinational circuits compute
- Sequential circuits remember
- Flip-flops store bits
- Clocks synchronize everything
- Combining them creates computers
Logic gates make decisions
Memory gives them intelligence
This is where electronics stops being simple logic and becomes real computing.